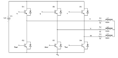
What is a Three-Phase Inverter?
A 3-segment inverter is an electronic device that converts DC (Direct Current) into AC (Alternating Current) with three-segment outputs. This type of inverter is generally utilized in business vehicles, renewable energy systems, and excessive-energy programs due to its performance and balance.
The Sinusoidal-Triangle PWM Strategy
The Sinusoidal-Triangle PWM method is employed to enhance the waveform great of the output voltage from three-phase inverters. Here's the way it works:
- Sinusoidal Waveform: The base sign is a sinusoidal waveform, which represents the preferred output of the inverter.
- Triangle Waveform: The triangular waveform serves as a reference signal for the PWM approach. It is as compared with the sinusoidal waveform to generate switching signals for the inverter.
- Harmonics Elimination: One of the key houses of the 3-phase inverter is the cancellation of the 1/3 harmonic and its multiples within the output voltage. This is because the phase shifts among the 3 stages result in the harmonic additives being correctly canceled out.
How the Sinusoidal-Triangle PWM Improves the Fundamental
By incorporating the third harmonic into the reference signal (which is no longer purely sinusoidal), the fundamental component of the output voltage is increased by 15%. This results in a higher amplitude of the output voltage at a given DC input, improving the overall efficiency of the inverter.
Advantages of the Sinusoidal-Triangle PWM Strategy
-
Increased Fundamental Amplitude: As discussed, the fundamental voltage is boosted by 15%, improving the overall performance.
-
Reduced Harmonics: The third harmonic, and its multiples, are effectively eliminated, leading to a cleaner and more efficient output.
-
Improved Output Quality: The technique enhances the quality of the AC waveform, making it closer to an ideal sine wave, which is beneficial for sensitive equipment and systems.
Spectral Analysis of the Output Voltage
The spectral evaluation of the output voltage of a 3-segment inverter the usage of the sinusoidal-triangle PWM approach well-knownshows a great reduction in unwanted harmonics, in particular the third harmonic. This contributes to a extra stable and efficient power supply.
-
Spectral Content: The dominant frequencies in the output are the fundamental and higher-order harmonics, but the third harmonic is effectively suppressed.
-
Frequency Distribution: The frequency distribution shows that the majority of the energy is concentrated around the fundamental frequency, ensuring a cleaner power output.
Applications of the Sinusoidal-Triangle PWM Strategy
-
Renewable Energy Systems: Inverters used in solar and wind energy systems benefit greatly from this technique, as it helps to improve the efficiency of the power conversion.
-
Industrial Drives: Motors powered by three-phase inverters experience smoother operation and reduced wear and tear when using this strategy.
-
Power Electronics: This method is widely used in various power electronic devices where high-quality AC output is required.



