Full width home advertisement

Post Page Advertisement [Top]

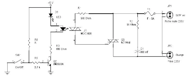
- Réaliser le montage de la Figure .
- Mettez comme charge un moteur à courant alternatif ou universel ou une lampe.
- Explique comment se fait l’amorçage du triac ?
- Relever le signal de la gâchette du triac.

Découvrez comment utiliser efficacement le SCR pour commander des charges comme des moteurs ou des lampes, avec des conseils pratiques sur l'amorçage du triac et l'analyse du signal de sa gâchette.

Application du SCR pour la Commande Tout ou Rien : Un Guide Pratique

Introduction

Découvrez comment utiliser le SCR (Silicon Controlled Rectifier) pour contrôler efficacement des charges telles que des moteurs à courant alternatif ou des lampes. Ce guide vous expliquera étape par étape comment réaliser le montage, amorcer le triac et observer le signal de sa gâchette pour assurer un fonctionnement optimal de votre circuit électrique.

Étape 1 : Réalisation du Montage

Commencez par mettre en place le montage illustré dans la figure fournie. Assurez-vous de suivre attentivement les connexions indiquées pour garantir un fonctionnement correct du SCR et du triac.

Étape 2 : Choix de la Charge

Utilisez comme charge un moteur à courant alternatif ou universel, ou encore une lampe. Ces charges sont idéales pour tester la commutation du triac et observer son comportement dans des applications réelles.

Étape 3 : Amorçage du Triac

L'amorçage du triac est crucial pour son fonctionnement. Il se produit lorsque le courant est appliqué à la gâchette (gate) du triac, ce qui déclenche sa conductivité et permet le passage du courant à travers la charge. Assurez-vous que votre circuit est correctement câblé et que la tension appliquée à la gâchette est suffisante pour activer le triac.

Étape 4 : Observation du Signal de la Gâchette

Pour assurer un contrôle précis, relevez le signal appliqué à la gâchette du triac à l'aide d'un oscilloscope ou d'un multimètre adapté. Cela vous permettra de vérifier la synchronisation et la durée d'amorçage du triac, assurant ainsi un fonctionnement fiable de votre système de commande tout ou rien.

Conclusion

En suivant ces étapes simples, vous pourrez facilement mettre en œuvre l'application du SCR pour la commande tout ou rien dans vos projets électroniques. Assurez-vous de comprendre le processus d'amorçage du triac et de surveiller attentivement son signal de gâchette pour optimiser la performance de votre circuit. Explorez davantage les applications potentielles du SCR dans diverses configurations et enrichissez vos connaissances en électronique pratique.

Bottom Ad [Post Page]

| Designed by Colorlib