Automatic Lighting System: Smart Illumination When You Need It Most
Have you ever stumbled via the dark, achieving for a light transfer, or forgotten to show off the porch light earlier than heading to mattress? If so, you’re going to love what an automated lighting system can do for your own home.
This smart solution activates your lights while the surroundings gets darkish — no touch, no transfer, simply clever sensing. Whether you are returning domestic with hands full or want to beautify your property’s electricity performance, an automated lighting fixtures setup is a realistic upgrade.
How Does It Work?
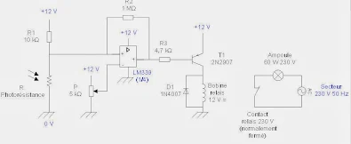
At the coronary heart of this gadget is a Light Dependent Resistor (LDR) — specifically the SILONEX NSL-4962 or an equal. This thing is photosensitive, that means its resistance varies with the amount of mild it detects. In general darkness, its resistance is very high (over 1 MΩ), while in bright light, it drops to only a few hundred ohms. That’s what lets in the circuit to stumble on while the lights want to come on.
The second key component is the LM339 comparator IC, a quad op-amp with open-collector outputs. It compares the voltage across the LDR to a set threshold (defined using a voltage divider or a potentiometer). When the ambient light falls below that threshold, the output changes state, triggering a relay that powers a light bulb — often a 230V, 60W bulb in basic setups.
Basic Circuit Components:
-
Resistors: 4.7 kΩ, 10 kΩ, 1 MΩ
-
Potentiometer: 5 kΩ
-
LM339 IC (Quad comparator)
-
Diode: 1N4007 or 1N4148
-
Photocell (LDR): SILONEX NSL-4962 or similar
-
Transistor: 2N2907 (PNP type)
-
Relay: 12V DC / 230V AC
-
Bulb: 230V 60W or LED equivalent
Benefits of an Automatic Lighting System
✅ Convenience at Its Best
Say goodbye to fumbling for switches. Lights turn on exactly when you need them.
✅ Energy Efficient
LED bulbs paired with smart control reduce unnecessary power use — and your energy bill.
✅ Better Security
A home that lights up automatically is a deterrent to intruders. It’s also safer for you when walking into dark spaces.
✅ Simple Installation
The system is basic enough for DIY enthusiasts and electronics beginners alike. Most components are affordable and easy to find.
✅ Modern Home Appeal
Automated systems give your home that modern, connected feel without the cost of commercial smart home systems.
When and Where to Use It?
-
Outdoor lighting (driveways, gardens, porches)
-
Hallways and staircases
-
Garages and sheds
-
Inside closets or bathrooms
-
Anywhere a hands-free light is helpful!
Final Thoughts
An automatic lighting system is more than a clever trick—it’s a smart upgrade for modern living. Whether you're building it for fun, learning electronics, or planning a real home improvement, this circuit offers a rewarding result: light exactly when and where you need it.
It’s time to ditch the switch and step into the light—automatically.
#SmartLighting #AutomaticLights #HomeAutomation #LightSensor #LDR #LM339 #DIYProjects #ElectronicsCircuit #EnergySaving #TechForHome
